地震监测与预报已经成为全球一项重大课题,遥测数字地震台网正在全国范围内逐渐健全。遥测数字地震台网建成后,需要保证连续正常运行,出现“死机”时,观测记录中断,需要派专人到无人值守的遥测台解决故障,既浪费时间与经费,又增加了信号间断率。针对这种情况,设计开发了一套配合地震数据采集器工作的电源监控系统,能够准确可靠地监控各地震台站电源情况,使地震台网中心更好地掌握各台站电源情况,并且能对地震数据采集器实施远程控制。整个电源监控系统包括电源监控器和信息管理系统两部分。
地震检测台网主要包括台网处理中心和各台站。台网处理中心配有实时接收机、数据处理机、集线器等设备。通过集线器,中心内所有的计算机组成中心局域网,从而实现文件和数据的共享。
台站配有地震仪、数据采集器、交流参数稳压器、UPS 电源、调制解调器、GPS 天线、蓄电池组等设备,如图 1 所示。

电源监控器主要功能如下:
(1)系统具有检测地震数据采集器运行情况功能,地震数据采集器“死机”时自动对其复位,复位3次不成功自动转到地震台网中心远程复位;
(2)蓄电池电压低于11 V、恢复至13 V、交流电上电、交流电断电时均自动向中心报警;
(3)接收中心的复位、电源状态、采集器运行状态查询和线路测试等命令,并返回应答信息;
(4)电源监控器与中心上位机通信采用地震数据专用线传输,不干扰地震数据的正常传输,自动在相邻的两帧地震数据之间插入电源及采集器状态信息;
(5)系统具有一定的抗干扰能力,“死机”后可自动复位,重新恢复正常状态。
2.2.1 系统组成
本设计选用两片89C2051单片机为核心构成的系统来完成对地震数据采集器电源的监控,硬件设计分为电源模块、复位电路、信号检测、通信模块等几部分。系统功能框图如图2所示。
由于单片机不仅要接收地震数据采集器发出的地震信息,还要接收上位机软件的命令,所以需要两个串口。这里利用两片89C2051单片机来完成任务,其中主机用于检测地震数据采集器运行情况以及电源情况并向上位机发送,从机专门用来接收上位机的命令,控制地震数据采集器复位。两片单片机之间通过普通I/O口实现通信。数据采集器发生“死机”时,主机只需向从机发送一条使数据采集器复位的命令,而从机接收到上位机命令后向主机发送应答信息,由主机转发给上位机。
2.2.2 通信模块设计
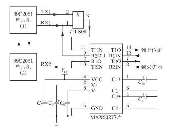
利用一个串口完成对地震数据采集器数据的侦听,并且向上位机发送检测数据,同时不能对地震数据进行破坏。由于在同一条线路上不能有多个“讲者”,本设计利用与门电路来实现地震数据上传和检测信息上传的切换。通信模块电路原理图如图3所示。

图3 串行通信模块电路原理图
当 89C2051 单片机上电复位后,各输出口均为高电平,这时与门 74LS08 第 3 脚输出跟随地震数据变化,当地震数据发送完毕后,74LS08 第 1 脚变为高电平,则 74LS08 第 3 脚输出跟随第 1 片 89C2051TX1 变化,从而实现了传输线路的复用。上位机发出的指令由第 2 片 89C2051 侦听,如果是给监控器的信息,则接收并执行,同时因地震数据采集器数据有其固定格式,所以不会对地震数据采集器产生影响。
两片单片机通过两条普通 I/O 口相连,当地震数据采集器发生“死机”时,第 1 片单片机给第 2片发送指令,对地震数据采集器进行复位。当第 2片单片机接收到上位机远程复位指令时,对采集器进行复位,并向第 1 片单片机发送应答信号,第 1片单片机收到应答信号后向上位机发送一包数据,其中包含采集器状态信息、电源信息以及第 2 片单片机的应答信息。上位机不仅可以通过检查第 2 片单片机是否应答来判断线路状况,而且还可以记录下此刻的现场信息。如因各种情况在 5 s 时间内没有收到来自监控器的信息,则自动重新发送信息,如 3 次发送不成功说明线路出现故障,则给出相应提示。远程查询及线路检测的原理与远程复位相似,只是不进行复位操作。
2.3.1 软件设计
下位机主机启动后先进行初始化,初始化完毕后进入主循环程序,在主循环程序中完成定时1 s喂看门狗,检测采集器状态、蓄电池电压、交流电参数,接收从机信息,向上位机报警等任务,主机流程图如图4所示。

图4 软件流程图
上位机信息管理系统软件主要实现系统信息采集、统计报表等工作,采用Visual Basic程序设计语言开发该软件。
2.3.2 串行通信控件设置
Visual Basic的串行通信对象MSComm控件是将RS-232接口的初级操作予以封装,用户以高级的语法即可利用RS-232接口与外界通信,并不需要了解其它有关的初级操作,因此使用起来非常方便。
通常以下面的步骤来使用Visual Basic的MSComm控件作通信控制:
(1)加入通信对象,也就是MSComm对象;
(2)设置通信端口号码,即CommPort属性;
(3)设置通信协议,即HandShaking属性;
(4)设置传输速度等参数,即Settings属性;
(5)设置其它参数,若必要时再加上其它的属性设置;
(6)打开通信端口,即PortOpen属性设成True;
(7)送出字符串或者读入字符串,使用Input及Output属性;
(8)使用完MSComm通信对象后,将通信端口关闭,即PortOpen属性设成Flase;
(9)其它的程序处理。
地震数据采集器电源监控器以89C2051为核心,利用串口侦听技术跟踪采集器状态,发生“死机”时及时对其复位,并向台网中心报警。本设计完成了地震数据采集器电源监控器制作和电源监控软件编写,经过系统联调,运行状态良好,达到了设计的要求。经实际运行检验,系统能够检测地震数据采集器运行情况,可靠性高,节约了各无人值守台站电源的维护成本,延长了电池寿命,有效提高可遥测数字地震台网的工作效率,获得了较好的应用效果。