JYDAM-ACP04 是一款工业级多通道交流电流检测模块,采用便捷的导轨安装设计,专为配电柜智能化升级设计。其创新性的 1P 空开兼容结构(18mm 电流环中心间距)可实现与标准断路器无缝并排安装,在有限空间内实现高密度电流监测,彻底解决传统检测设备安装空间受限的痛点。
模块采用真有效值测量算法,可同时采集 4 路 0~50A 交流电流信号,精度高达 0. 1% 。标配工业级隔离 RS-485 通信接口,支持标准 MODBUS-RTU 等协议。具备出色的抗干扰能力和长距离传输性能。
l 工业自动化监测:在生产设备电力监控与生产线能源消耗分析场景中,可实时精准监测设备电流,为企业评估设备运行状态、优化生产效率提供可靠数据支撑。
l 能源精细化管理:于能源管理领域,通过实时监测多路电流并进行深度分析,助力企业实现能耗精细化管控,有效挖掘节能增效潜力。
l 配电网络安全保障:作为配电监测网络的关键节点,可全方位监测配电网运行状态,及时捕捉电流异常波动并触发预警,为电力供应的稳定安全保驾护航,是多路电流智能化监测的优选方案。
l 同步采集 4 路交流电流;
l 电流量程可选:10A 、50A 、100A;
l 支持导轨安装,适配配电柜紧凑空间;
l 配备隔离 RS-485 接口,通信距离可达 1200 米;
l 支持 Modbus RTU/TCP/ASCII 多协议通信;
l 波特率范围 1200~ 115200bps ,可灵活调整通信速率;
l 设备地址 0~255 可调,满足多设备组网需求;
l DC 7-30V 宽压供电,兼容多种电源环境;
l 工业级工作温度范围 - 40℃~85℃ , 适应严苛工况;
l 具备 4500V 耐压性能,保障电气安全;
l 支持通过配置软件实现电流实时监测;
l 采用 RS485 通讯隔离,具有强抗干扰能力;
l 4 路电流同步采集,精度可达0. 1%;
l 电流环中心间距遵循 1P 空开标准(18mm ),可直接嵌入配电柜导轨;
l 采用精密微型电流互感器,有效抑制磁饱和现象,维持稳定线性输出;
型号 | modbus | RS232 | RS485 | 网口 | WiFi | 电流环 | 量程 |
JYDAM-ACP04- RS485-10A |
● |
● |
4路 |
0~10A | |||
JYDAM-ACP04- RS485-50A |
● |
● |
4路 |
0~50A | |||
JYDAM-ACP04- RS485-100A |
● |
● |
4路 |
0~100A |

参数 | 说明 |
数据接口 | RS485 |
额定电压 | DC 24V(支持7-30V) |
输入量程 | 0-10A、0-50A、0-100A |
输入频率范围 | 45Hz~65Hz |
采样频率 | 10Hz |
测量精度 | 0.1% |
互感器穿孔直径 | |
电源指示 | 1路红色 LED 指示(定时闪烁) |
通信指示 | 1路绿色 LED 指示(通信时闪烁) |
温度范围 | 工业级,-40℃~85℃ |
相对湿度 | 10 % ~ 90 % R H(不结露) |
互感器隔离耐压 | 4500V/50Hz/1min |
电磁兼容性 | 符合 GB/T 182681 ( IEC 6132-1 ) |
尺寸 | 328*54.2*19.5mm |
重量 | 91g |
默认通讯格式 | 9600,n,8,1 |
通信距离 | 1200m(TYP) |
波特率 | 1200,2400,4800,9600, 19200,38400,43000, 57600,76800, 115200 默认9600 |
软件支持 | 配套配置软件、控制软件; 支持各家组态软件; 支持 Labviewd 等 |
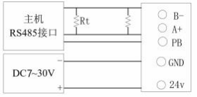
RS485 通信线采用手拉手方式连接,如需星型连接请外加分路器,终端电阻 Rt根据需要在通信线两端自行添加。

接线端子说明
端子名称 | 文字说明 |
B- | RS-485 通讯接口负端 |
A+ | RS-485 通讯接口正端 |
PB | 485 的屏蔽地(选用 ) |
GND | 外接供电电源负端(接地) |
24V | 外接供电电源正端( 9~30V ) |


电脑自带的串口一般是 RS232 ,需要配 232-485 转换器(工业环境建议使用有源带隔离的转换器),转换后 RS485 为 A 、B 两线,A 接板上 A 端子,B 接板上 B 端子,485 屏蔽可以接 GND 。若设备比较多建议采用双绞屏蔽线,采用链型网络结构。
软件下载链接地址:http://www.juyingele.com.cn/software/software/ 聚英翱翔 DAM 调试软件使用教程.rar
1 选择模拟量输入;
2 下方可以直接查看数据大小和实时曲线。
3 可通过通道编辑更改参数

DAM 系列设备地址默认为 1 ,使用广播地址为 254 进行通讯,用0 无法通讯。
设备地址=偏移地址。
设备正常通讯后,初始设备地址写入254 ,然后点击软件上方“配置参数 ”即可读到设备的当前地址。

点击 JYDAM 调试软件下方偏移地址后边的“读取 ”或“设置 ”来对设备的偏移地址进行读取或设置。

点击下方波特率设置栏的“读取 ”和“设置 ”就可以分别读取和设置波特率和地址,操作后需要重启设备和修改电脑串口设置。

本产品支持标准modbus 指令,有关详细的指令生成与解析方式,可根据本文中的寄存器表结合参考《MODBUS 协议中文版》 即可。
Modbus 协议中文版参考:http://www.juyingele.com.cn/software/software/Modbus%20POL L 软件及使用教程.rar
本产品同时支持modbus RTU 格式。
本控制卡主要为线圈寄存器,主要支持以下指令码:3 4
线圈寄存器地址表:
寄存器名称 | 寄存器地址 | 说明 | |
电流有效值 | |||
通道 1 | 3x5001 | 第一路电流有效值 | |
通道2 | 04 查询指令 | 3x0002 | 第二路电流有效值 |
通道 3 | 3x0003 | 第三路电流有效值 | |
通道4 | 3x0004 | 第四路电流有效值 | |
通信波特率 |
保持寄存器 |
4x1001 | 见下表波特率数值对应表,默认为0,支持 0-5 ,该寄存器同时决定 RS232 和RS485 的通信波特率 |
备用 | 4x1002 | 备用,用户不可写入任何值。 | |
偏移地址 | 4x1003 | 设备地址=偏移地址 | |
工作模式 | 4x1004 | 用户可以使用,存储用户数据 | |
延迟时间 | 4x1005 | 用户可以使用,存储用户数据 |
备注:
① :Modbus 设备指令支持下列 Modbus 地址:
00001 至 09999 是离散输出(线圈)
10001 至 19999 是离散输入(触点)
30001 至 39999 是输入寄存器(通常是模拟量输入)
40001至 49999 是保持寄存器(通常存储设备配置信息)
采用 5 位码格式,第一个字符决定寄存器类型,其余 4 个字符代表地址。地址 1 从 0开始,如 00001 对应 0000。
② :波特率数值对应表
数值 | 波特率 |
0 | 9600 |
1 | 2400 |
2 | 4800 |
3 | 9600 |
4 | 19200 |
5 | 38400 |
6 | 115200 |
7 | 57600 |
8 | 56000 |
9 | 14400 |
10 | 1200 |
寄存器地址按照 PLC 命名规则,真实地址为去掉最高位,然后减一。
应用举例及其说明:本机地址除了偏移地址地址之外,还有默认的 254 为广播地址。当总线上只有一个设备时,无需关心拨码开关地址,直接使用254 地址即可,当总线上有多个设备时通过拨码开关选择为不同地址,发送控制指令时通过地址区别。
指令可通过“聚英翱翔 DAM 调试软件 ”,勾选调试信息来获取。


指令生成说明:对于下表中没有的指令,用户可以自己根据modbus 协议生成,例如对于继电器线圈的读写,实际就是对modbus 寄存器中的线圈寄存器的读写,用户只需生成对寄存器操作的读写指令即可。例如读或者写继电器 1 的状态,实际上是对继电器 1 对应的线圈寄存器 00001 的读写操作。
查询第一路模拟量
获取到的模拟量数据与实际输入值之间的关系为:实际值=返回值*0.01A
发送码:FE 04 00 00 00 01 25 C5
字段 | 含义 | 备注 |
FE | 设备地址 | |
04 | 04 指令 | 查询输入寄存器指令 |
00 00 | 起始地址 | 要查询的第一路模拟量寄存器地址 |
00 01 | 查询数量 | 要查询的模拟量数量 |
25 C5 | CRC16 |
模拟返回信息:
返回码:FE 04 02 00 00 AD 24
字段 | 含义 | 备注 |
FE | 设备地址 | |
04 | 04 指令 | 返回指令:如果查询错误,返回 0x82 |
02 | 字节数 | 返回状态信息的所有字节数 |
00 00 | 查询的 AD字 | 0x0227 ,即十进制 551 ,为查询的模拟量 AD字的值 |
AD 24 | CRC16 |
查询 1~4 路模拟量
获取到的模拟量数据与实际输入值之间的关系为:实际值=返回值*0.01
发送码:FE 04 00 00 00 04 45 4D
字段 | 含义 | 备注 |
FE | 设备地址 | |
04 | 04 指令 | 查询输入寄存器指令 |
00 00 | 起始地址 | 要查询的模拟量寄存器地址 |
00 04 | 查询数量 | 要查询的模拟量数量 |
45 4D | CRC16 |
模拟返回信息:
返回码:FE 04 08 00 00 00 00 00 00 00 00 5B 5A
字段 | 含义 | 备注 |
FE | 设备地址 | |
04 | 04 指令 | 返回指令:如果查询错误,返回 0x82 |
20 | 字节数 | 返回状态信息的所有字节数 |
00 00 ... 00 00 | 查询的 AD字 | 2 个字节一个数据,高位在前,低位在后 |
5B 5A | CRC16 |
1、485 总线上挂有多个设备时,每个设备地址不能一样,不能使用广播地址 254 来进行通讯。
广播地址在总线上只有一个设备时可以使用,大于 1 个设备时请以拨码开关区分地址来控制,否则会因为模块在通信数据的判断不同步上导致指令无法正确执行。


型号:AC0606-100A
供电说明:12-24DC
测量范围:0-500V/0~10A; 0~30A; 0...
供电说明:DC 12-24V
输出信号:4-20mA/0-10V
测量范围:交流0-30A/50A/100A
型号:JY-AC08P
供电说明:DC 24V
测量范围:0-10A、0-50A、0-100A
型号:AC0303-30A
供电说明:DC 7-30V
输出信号:RS485
供电说明:12-24DC
输出信号:4-20mA/0-10V
测量范围:0-300V
型号:AC0303-100A
供电说明:DC 7-30V
测量范围:0-500V/0~10A; 0~30A; 0...
型号:JY-AC04P
供电说明:DC 24V
测量范围:0-10A、0-50A、0-100A
型号:JYDAM-AC14-YD
供电说明:DC 24V
测量范围:0-10A、0-50A、0-100A